Produkter
HJEM > Produkter
JDZX9-35D/290 Spændingstransformer
  • JDZX9-35D/290 SpændingstransformerJDZX9-35D/290 Spændingstransformer
  • JDZX9-35D/290 SpændingstransformerJDZX9-35D/290 Spændingstransformer
  • JDZX9-35D/290 SpændingstransformerJDZX9-35D/290 Spændingstransformer

JDZX9-35D/290 Spændingstransformer

Comewill, en professionel spændingstransformatorproducent i Kina, præsenterer stolt JDZX9-35D/290 Voltage Transformer, konstrueret til stabil og nøjagtig ydeevne i 35kV strømsystemer.

Designet med epoxyharpiksstøbeisolering og fuldt lukket udendørs struktur, Comewill fabrikkens kvalitets JDZX9-35D/290 Voltage Transformer sikrer høj præcision, stærk holdbarhed og langsigtet pålidelighed. Det er meget udbredt til energimåling, spændingsovervågning og relæbeskyttelse, hvilket gør det til en ideel løsning til moderne elnet og industrielle applikationer.

Typebetegnelse

Velkommen (Wenzhou) Electric Co., Ltd's JDZX9-35 spændingstransformator, modellen indeholder vigtige strukturelle og brugsoplysninger, som let kan adskilles og forstås:

Modellen JDZX9-35 repræsenterer vigtige strukturelle og funktionelle egenskaber:

J – Spændingstransformer
D – Enfaset struktur
Z – Epoxyharpiksstøbt isolering
X – Med restspændingsvikling (til jordingsbeskyttelse)
9 – Design sekvensnummer
35 – Nominel spænding: 35kV

Denne modelnavngivning fremhæver direkte kerneegenskaberne ved JDZX9-35D/290 Spændingstransformer: Designet specifikt til mellemspændingsstrømsystemer, den anvender støbt harpiksisolering, enfaset struktur og kan også udstyres med restspændingsviklinger, der perfekt matcher brugsbehovene for 35kV-systemer.

Servicebetingelser

For at sikre stabil langtidsdrift bør JDZX9-35D/290 spændingstransformatoren bruges under følgende forhold:
Installation: Kun udendørs brug
Omgivelsestemperatur:
Maksimum: +40°C
Minimum: -25°C
Dagligt gennemsnit ≤ 30°C
Højde: ≤ 1000m (brugerdefineret design påkrævet til større højder)
Forureningsniveau: Velegnet til klasse IV-miljøer
Atmosfære: Fri for stærkt støv eller ætsende gasser

Tekniske data

Type Nominel spændingsforhold (V) Præcisionsklassekombination Nominel output (VA) Max output (VA) Nominel isolationsniveau (kV)
JDZX9-35 35000/√3/100/√3/100/3 0,2/6P 30/100 600 40,5/95/200
0,5/6P 50/100
JDZXF9-35 35000/√3/100/√3/100/√3/100/3 0,2/0,2/6P 20/20/100 2×300
0,2/0,5/6P 25/30/100
0,5/0,5/6P 30/30/100

Tilpasning og brugsvejledning

Comewill, som en erfaren leverandør af spændingstransformatorer i Kina, tilbyder fleksible tilpasningstjenester:
Brugerdefineret spændingsforhold og nøjagtighedsklasse tilgængelig
Skræddersyede løsninger til specifikke projektkrav
Understøttelse af ikke-standard design
Noter om brug:
Brug kun ét spændingsforhold ad gangen for nøjagtig måling
Undgå samtidig drift med flere forhold
Angiv detaljerede parametre ved bestilling for at sikre den bedste ydeevne

Applikationsscenarier

JDZX9-35D/290 Spændingstransformer er meget udbredt i:
Elnetsystemer
Understationer
Industriel energifordeling
Energimålesystemer
Relæbeskyttelsesapplikationer

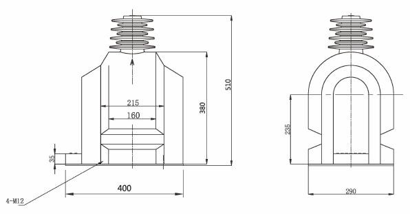
Oversigt og dimensioner af installation

Ledningsprincipper for DZX9-35KV spændingstransformere

Bestillingsinformation

For at sikre, at transformeren passer perfekt til dine systemkrav, angiv venligst:

Spændingsforhold
Nøjagtighedsklasse
Nominel udgang
Særlige krav (hvis nogen)

For skræddersyede løsninger er Comewills tekniske team klar til at yde professionel support fra design til levering, hvilket sikrer pålidelig og effektiv drift i dit elsystem. Velkommen til at kontakte os og få et tilbud nu!

Hot Tags: JDZX9-35D/290 Spændingstransformer, Kina, Producent, Leverandør, Fabrik, Engros, Customized, På lager, Lavet i Kina, Lav Pris, Kvalitet
Send forespørgsel
Kontaktoplysninger
Send en forespørgsel til Comewill for koblingsudstyr, vakuumafbrydere, strømtransformer. Få skræddersyede tilbud, lave priser eller ekspertsupport fra vores Kina-fabriksteam.
X
Vi bruger cookies til at tilbyde dig en bedre browsingoplevelse, analysere trafik på webstedet og tilpasse indhold. Ved at bruge denne side accepterer du vores brug af cookies. Privatlivspolitik
Afvise Acceptere