Produkter
HJEM > Produkter
LMZJ1-0.5 Strømtransformer
  • LMZJ1-0.5 StrømtransformerLMZJ1-0.5 Strømtransformer
  • LMZJ1-0.5 StrømtransformerLMZJ1-0.5 Strømtransformer
  • LMZJ1-0.5 StrømtransformerLMZJ1-0.5 Strømtransformer

LMZJ1-0.5 Strømtransformer

LMZJ1-0.5 Current Transformer er en gennemgående samleskinneenhed designet specielt til indendørs AC-kredsløb, produceret af Comewill, en professionel producent i Kina. Dette produkt er specielt designet til systemer med en nominel spænding på ≤ 0,5 kV og en frekvens på 50 Hz. Det er kernekomponenten til strømmåling, energimåling og relæbeskyttelse i lavspændingsenheder og er meget velegnet til bulk indkøb i industrielle og kommercielle projekter.

Som den professionelle producent i Kina vil Comewill gerne give dig tilpasset LMZJ1-0.5 Current Transformer, som er raffineret ved hjælp af harpiksisoleringsstøbeteknologi og anvender en fast bundpladeinstallationstilstand. Med bedre driftsstabilitet og langtidsholdbarhed sparer det vedligeholdelsesomkostninger for indkøbspartnere fra roden. Det giver flere højpræcisions gearmuligheder på 0,2, 0,5, 0,2s og 0,5s, der nemt dækker differentierede applikationsbehov i forskellige scenarier.

Det kompakte strukturelle design gør installation og udrulning mere fleksibel, og den dobbelte understøttelse af sikkerhedskonfiguration på topniveau og ultralang levetid gør LMZJ1-0.5 Current Transformer til et pålideligt valg i moderne lavspændingssystemer. Det er værd at nævne, at denne lavspændingstransformer har fremragende højtemperaturmodstand og forureningsmodstand og kan opretholde stabil drift selv i barske miljøer, hvilket maksimerer værdien af ​​enhver indkøbsinvestering.

Product Structure

Kernen i LMZJ1-0.5 Current Transformer er en cirkulær jernkerne lavet af koldvalsede orienterede siliciumstålplader - dette præcisionsviklingsdesign er nøglen til at maksimere magnetisk effektivitet og lægge grundlaget for pålidelig drift.
Den sekundære vikling er jævnt viklet rundt om denne cirkulære jernkerne, som er et omhyggeligt designet arrangement, der sikrer ensartet ydeevne under alle driftsforhold og eliminerer ujævne outputproblemer.
Det centrale vindue løber gennem midten af ​​produktet og er designet til sømløs integration af samleskinner, mens den robuste base i bunden giver et sikrere og mere stabilt monteringspunkt for produktet, hvilket gør det nemt at installere.
Hele komponenten er støbt af umættet harpiksisoleringsmateriale. Dette robuste kabinet forbedrer ikke kun holdbarheden, men forbedrer også sikkerheden og beskytter interne komponenter mod miljømæssigt pres, hvilket gør transformeren modstandsdygtig i forskellige arbejdsmiljøer.

Parameter

Elektrisk parameter Mekanisk parameter
Frekvens 50/60Hz Sag PC/UL94-V0
Nominel input 5A-5000A Bobbin PBT
Måleområde 5%In-120%In Kerne Silicium stål
Nominel output 1A, 5A Konstruktion Skrue
Spændingsforhold 0,72KV (AC) Driftstemp -25℃~+75℃
Dielektrisk styrke 3,0KV/1mA/1min Driftsfugtighed ≤85 %
Isoleringsmodstand DC500V/100MΩ min Udgangsforbindelse Terminal
Model Primær / Sekundær Samlingsskinne huldimensioner (mm) Vurderet byrde (VA) Nøjagtighedsklasse Nominel spænding
LMZJ1-0,5 30 5/5A~300/5A ø=31mm 2,5~5 0,2S 0,5S 0,5 0,72KV(AC)
LMZJ1-0,5 35 5/5A~300/5A ø=35mm 2,5~5 0,2S 0,5S 0,5 0,72KV(AC)
LMZJ1-0,5 40 200/5A~500/5A ø=42mm 5 0,2S 0,5S 0,5 0,72KV(AC)
LMZJ1-0,5 50 400/5A~600/5A ø=56mm 5 0,2S 0,5S 0,5 0,72KV(AC)
LMZJ1-0,5 80 750/5A~1200/5A ø=83mm 10~20 0,2S 0,5S 0,5 0,72KV(AC)
LMZJ1-0,5 100 800/5A~2000/5A ø=102mm 10~30 0,2S 0,5S 0,5 0,72KV(AC)
LMZJ1-0,5 140 2000/5A~4000/5A ø=142mm 15-30 0,2S 0,5S 0,5 0,72KV(AC)
LMZJ1-0,5 180 5000/5A~6000/5A ø=182mm 15-30 0,2S 0,5S 0,5 0,72KV(AC)

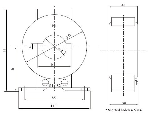
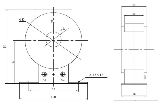
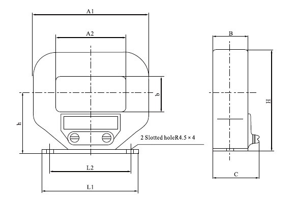
Oversigt og dimensioner af installation

Type Nuværende forhold H h φD φd
LMZ1-0,5 5-300/5 117 68 90 30
Type Nuværende forhold H h φD φd a b
LMZJ1-0,5 5-300/5 118 70 91 32 10 41
400-600/5 128 75 97 43 12 52
Type Nuværende forhold A1 A2 B h H L1 L2 C b
LMZJ1-0,5 1000/51200/51500/5 172 104 30 80 140 156 123 41 50
2000/53000/5 216 140 42 102 182 175 150 46 70
4000/55000/5 238 150 55 117 220 230 180 60 94
Hot Tags: LMZJ1-0.5 Current Transformer, Kina, producent, leverandør, fabrik, engros, tilpasset, på lager, fremstillet i Kina, lav pris, kvalitet
Send forespørgsel
Kontaktoplysninger
Send en forespørgsel til Comewill for koblingsudstyr, vakuumafbrydere, strømtransformer. Få skræddersyede tilbud, lave priser eller ekspertsupport fra vores Kina-fabriksteam.
X
Vi bruger cookies til at tilbyde dig en bedre browsingoplevelse, analysere trafik på webstedet og tilpasse indhold. Ved at bruge denne side accepterer du vores brug af cookies. Privatlivspolitik
Afvise Acceptere